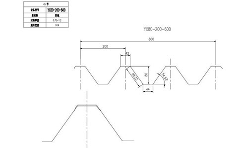
YX80-200-600開口樓承板
YX80-200-600開口樓承板 重量輕、強度高,承重、抗震性好; 施工簡單快捷、拼裝方便; 取代傳統模板、改善傳統模板的缺點。
訂購熱線:188-1199-6168
YX80-200-600開口樓承板 重量輕、強度高,承重、抗震性好; 施工簡單快捷、拼裝方便; 取代傳統模板、改善傳統模板的缺點。
上一個:YX76-344-688開口樓承板 下一個:YX13-180-1080開口樓承板

一、YX80-200-600開口樓承板應用
產品廣泛用于電廠、電力設備公司、汽車展廳、鋼結構廠房、水泥庫房、鋼結構辦公室、機場候機樓、火車站、體育場館、音樂廳、大劇院、大型超市、物流中心、奧運場館體育場館等鋼結構建筑。
適應主體鋼結構快速施工的要求,能夠在短時間內提供堅定的功課平臺,并可采用多個樓層鋪設壓型鋼板,分層澆筑混凝土板的流水施工。
二、YX80-200-600開口樓承板主要特點
開口式樓承板,也稱作凹凸壓型鋼板,W型樓承板,U型樓承板。開口式樓承板按波高大致分為51和76這二種。 上一個:YX76-344-688開口樓承板 下一個:YX13-180-1080開口樓承板


